您好!欢迎您访问乐山盛和稀土有限公司官方网站
乐山盛和稀土股份有限公司”废气、废水、噪音“环境自行监测方案

乐山盛和废水废气噪音自行监测方案_00.png












乐山盛和废水废气噪音自行监测方案_01.png

CCI_000001.jpg

乐山盛和废水废气噪音自行监测方案_03.png

乐山盛和废水废气噪音自行监测方案_04.png

乐山盛和废水废气噪音自行监测方案_05.png

乐山盛和废水废气噪音自行监测方案_06.png

乐山盛和废水废气噪音自行监测方案_07.png

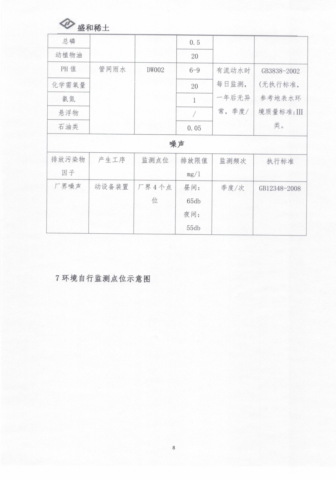
乐山盛和废水废气噪音自行监测方案_08.png

乐山盛和废水废气噪音自行监测方案_09.png

乐山盛和废水废气噪音自行监测方案_10.png

乐山盛和废水废气噪音自行监测方案_11.png